A71C-S 1

A71C-S

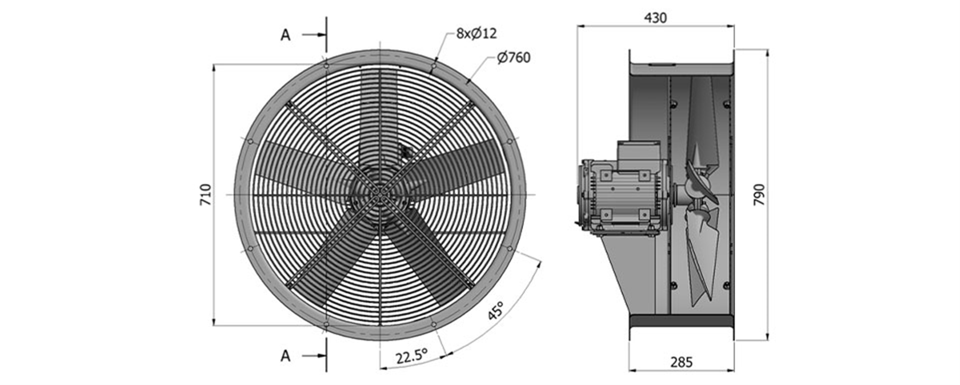
Der Luftstrom und der Schalldruckpegel (SPL) werden für den Freiblasebetrieb mit Einlass- und Auslassschutzgittern angegeben. Die SPL-Werte in 1 m Entfernung wurden seitlich am Ventilator gemessen. Die SPL-Werte in 2 m Entfernung wurden gemäß dem inversen Quadratgesetz berechnet. Die angegebenen Werte können je nach gewünschten Optionen und Konfigurationen variieren.

Für den Betrieb des thermischen Schutzes ist eine externe Steuereinheit oder ein Relais erforderlich.

Der Motor muss für Umgebungstemperaturen unter –25 °C sowie für tropische Einsatzbereiche mit einem integrierten Bereichsheizer ausgestattet sein.

Newsletter abonnieren

Bitte stellen Sie Ihr Telefon aufrecht hin.