A52C-F 1

A52C-F

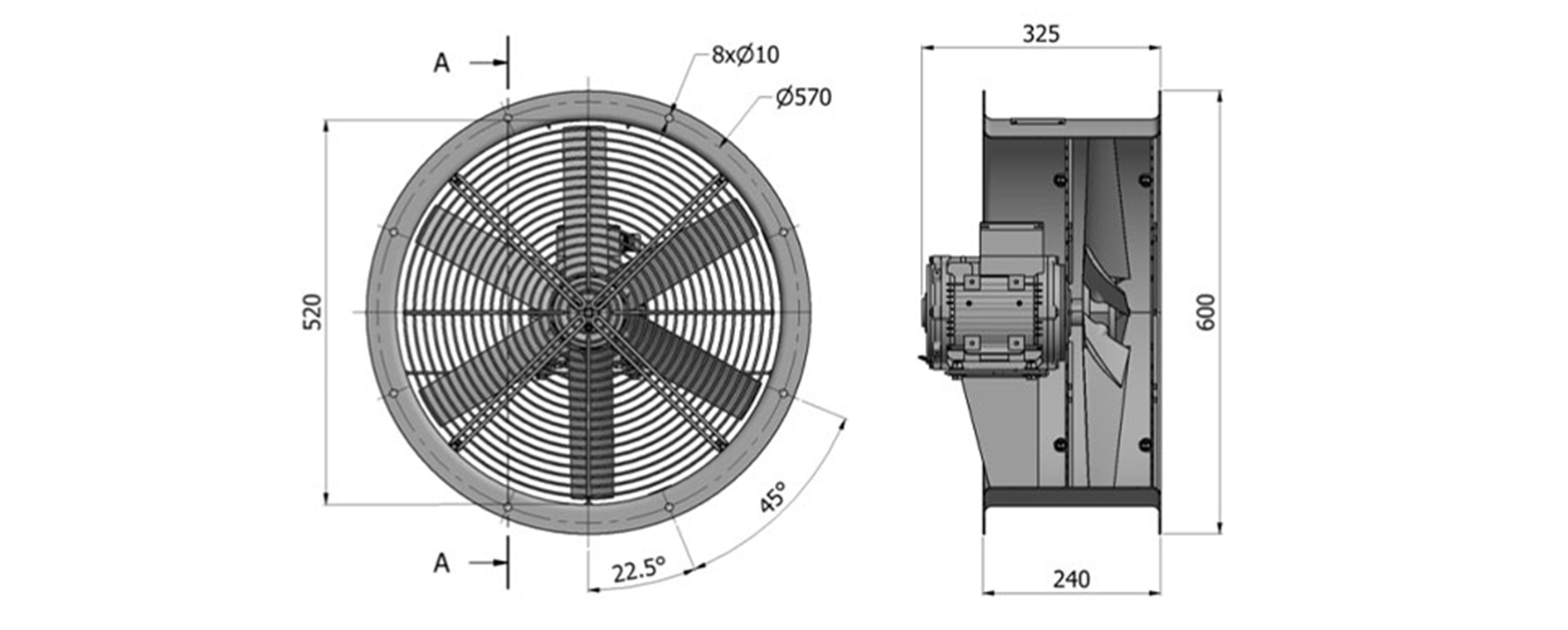
Der Luftstrom und der Schalldruckpegel (SPL) werden für den Freigebläsebetrieb mit Einlass- und Auslassschutzgittern angegeben. Die SPL-Werte in 1 m Abstand wurden seitlich am Lüfter gemessen. Die SPL-Werte in 2 m Abstand wurden gemäß dem inversen Quadratgesetz berechnet. Die angegebenen Werte können je nach angeforderten Optionen und Konfigurationen variieren.

Für den Betrieb des Thermoschutzes ist eine externe Steuereinheit oder ein Relais erforderlich.

Der Motor muss für Umgebungen unter –25 °C sowie für tropische Einsatzbereiche mit einem integrierten Bereichsheizer ausgestattet sein.

Newsletter abonnieren

Bitte stellen Sie Ihr Telefon aufrecht hin.